سفارش سیلندر مدل CC

این مورد را ارزیابی کنید
(0 رای‌ها)

بخش R&D شرکت صنایع مکاترونیک ایران اقدام به تهیه آرشیوی کامل از تکنولوژی ساخت سیلندرهای هیدرولیک و پنوماتیک تحت استانداردVDMA-24562,1 , DIN/ISO-6020 -1,2 , 6431,2 و خاص طبق سفارش از کمپانی های معتبر جهانی مانند :Festo , SMC ATOS , Haenchen ,Vickers , Bocsh Rexroth Group , Parker  نموده است .

صنایع مکاترونیک ایران برترین ارائه دهنده خدمات هیدرولیک و پنوماتیک

فرم محصولات

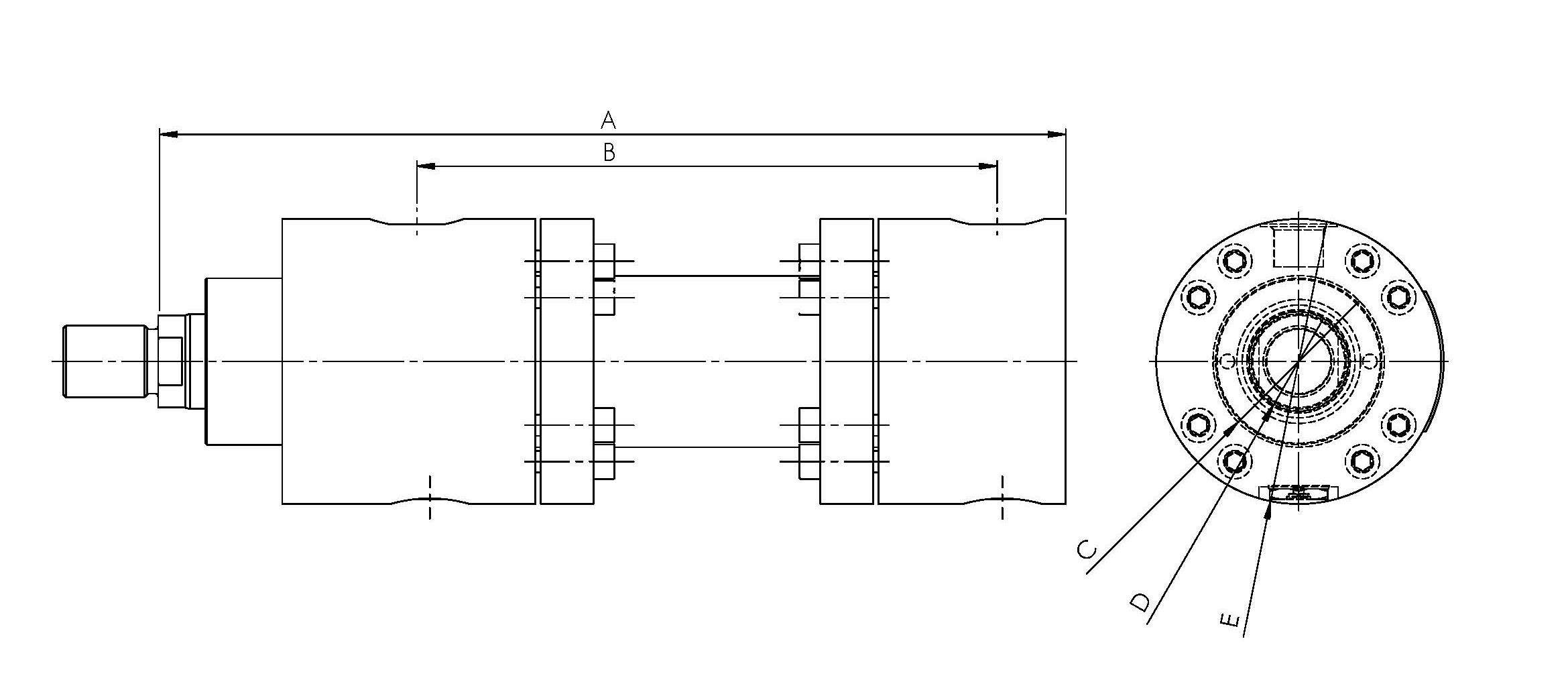
سایز گذاری سیلندر
ورودی نامعتبر است
ورودی نامعتبر است
ورودی نامعتبر است
ورودی نامعتبر است
ورودی نامعتبر است
ورودی نامعتبر است
ورودی نامعتبر است
ورودی نامعتبر است
ورودی نامعتبر است
ورودی نامعتبر است
ورودی نامعتبر است
ورودی نامعتبر است
ورودی نامعتبر است
ورودی نامعتبر است
ورودی نامعتبر است