سفارش سیلندر مدل CA3

این مورد را ارزیابی کنید
(0 رای‌ها)

طراحی و ساخت سیلندرهای هیدرولیک و پنوماتیک مطابق استاندارد و خاص تا قطر دهانه سیلندری 1000 میلیمتر و کورس 6000 میلیمتر توسط صنایع مکاترونیک ایران

 بخش R&D شرکت صنایع مکاترونیک ایران اقدام به تهیه آرشیوی کامل از تکنولوژی ساخت سیلندرهای هیدرولیک و پنوماتیک تحت استانداردVDMA-24562,1 , DIN/ISO-6020 -1,2 , 6431,2 و خاص طبق سفارش از کمپانی های معتبر جهانی مانند :Festo , SMC ATOS , Haenchen ,Vickers , Bocsh Rexroth Group , Parker  نموده است .

صنایع مکاترونیک ایران برترین رائه دهنده خدمات هیدرولیک و پنوماتیک

فرم محصولات

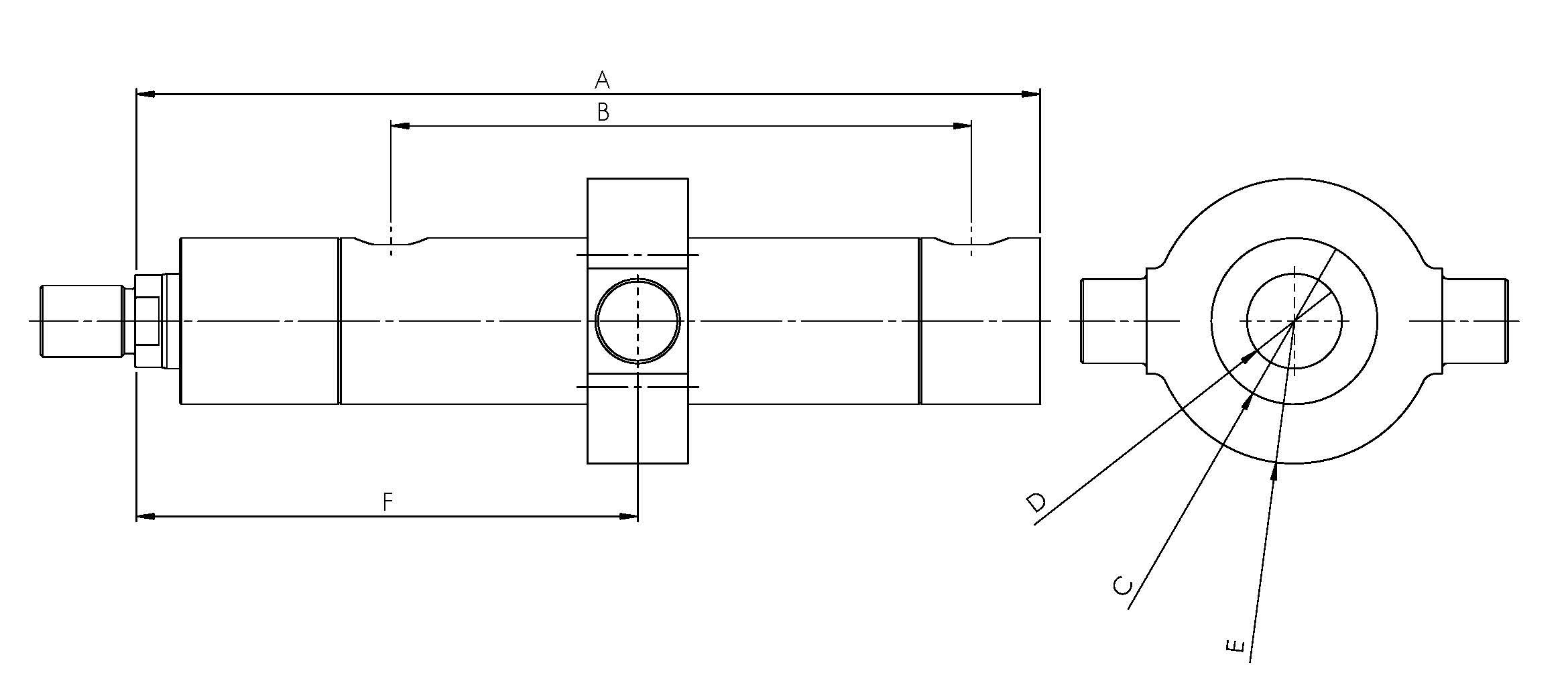
سایز گذاری سیلندر
ورودی نامعتبر است
ورودی نامعتبر است
ورودی نامعتبر است
ورودی نامعتبر است
ورودی نامعتبر است
ورودی نامعتبر است
ورودی نامعتبر است
ورودی نامعتبر است
ورودی نامعتبر است
ورودی نامعتبر است
ورودی نامعتبر است
ورودی نامعتبر است
ورودی نامعتبر است
ورودی نامعتبر است
ورودی نامعتبر است