به عنوان درپوش پایانی، درپوش شافت، درپوش جلویی نیز نامیده می شود و مرز پایانی سیلندر هیدرولیک می باشد که محل های مختلفی بین سوراخ سیلندر و شافت را پوشش می دهد.
درب سیلندر هیدرولیک علاوه بر پوشش جلویی سیلندر شامل پورت روغن می باشد و شافت را هدایت می کند. مجموع سیل ها (سیل گلویی، اورینگ ها) در آن قرار می گیرند. تنظیمات کوشنینگ نیز روی آن انجام می شود.
در انتهای کورس شافت، پیستون نیروی زیادی را به درب سیلندر هیدرولیک وارد می کند، از این رو درب سیلندر هیدرولیک باید براساس مقاومت در برابر چنین نیرویی طراحی شود.
تعیین اندازه درب سیلندر هیدرولیک :
جای بوش گلویی، سیل ها، گاید رینگ ها، پورت روغن و تنظیمات کوشنینگ روی درب سیلندر هیدرولیک تعبیه می شود. خود درب سیلندر هیدرولیک، روی دهانه لوله سیلندر هیدرولیک بسته می شود. به همین دلیل ضخامت درب سیلندر هیدرولیک برای جای دادن تمام اجزاء فوق باید به اندازه کافی مناسب باشد.
ضخامت درب سیلندر هیدرولیک به شرح ذیل می باشد.


A.این ضخامت برای جای دادن بوش گلویی مورد نیاز می باشد. این بدان معناست که بوش گلویی به مقدار A درون درب سیلندر هیدرولیک وارد می شود.
B.این مقدار به میزان ضخامت سیل مورد استفاده بستگی دارد.
C.این مقدار از درب سیلندر هیدرولیک به طول قطعات قابل تعویض بستگی دارد.
D.این مقدار با ضخامت دیواره لوله ای که قطر داخلی آن با قطر مته سوراخ کاری پورت روغن برابر است، یکسان است.
E.این مقدار برابر است با قطر سوراخ پورت روغن. قطر پورت روغن به بیشترین حجم روغنی که از آن عبور می کند بستگی دارد که سرعت معرفی می شود. سرعت معمولا 1.6 تا 3 متر در ثانیه می باشد و جریان روغن به مقدار خروجی پمپ بستگی دارد. با توجه به این دو پارامتر قطر می تواند محاسبه شود.
خروجی پمپ = سرعت × سطح مقطع سوراخ
F.این مقدار نیز برابر است با کمترین مقدار ضخامت دیواره لوله ای که قطر داخلی آن برابر قطر داخلی پورت روغن می باشد. علاوه بر این اگر پورت ورودی روغن جهت نصب اتصالات رزوه شود بایستی ضخامت کافی و فضای مناسب بین فلنچ جوشکاری شده و درب سیلندر هیدرولیک ، برای آچار کشی و محکم بسته شدن آن وجود داشته باشد.
G.این ضخامت باید به اندازه ای باشد که مقداری از درب سیلندر هیدرولیک درون آن قرار بگیرد و جای اورینگ برای راحتی مونتاژ و پیستون سیل با مقداری فاصله از آن ایجاد شود.
H.ضخامت این قسمت بر حسب ضخامت گاید ها و اورینگ مورد استفاده، انتخاب می شود و باید برابر اورینگ پیشنهادی ساخته شود.
I.ضخامت این قسمت باید به اندازه کافی باشد تا بتوان گاید اضافه در درب سیلندر هیدرولیک تعبیه نمود. زمانی که پیستون به درب سیلندر هیدرولیک نیرو وارد می کند، این قسمت باید به اندازه ای قوی باشد که در برابر نیرو بتواند مقاومت کند، در غیر این صورت نیرویی که پیستون به درب سیلندر هیدرولیک وارد می کند باعث آسیب و ایجاد نشتی درآن می شود.
به همین دلیل اندازه ضخامت درب سیلندر هیدرولیک باید برابر مجموعه A تاI شود.
برای محاسبه قطر درب سیلندر هیدرولیک، به اندازه قطر شافت، سیل ها مورد استفاده، پیچ هایی که برای بستن درب سیلندر هیدرولیک و بوش گلویی بکار می روند، نیاز می باشد که جزییات آن به شرح ذیل می باشد.
R1 = برابر است با شعاع شافت که قبل از طراحی درب سیلندر هیدرولیک محاسبه شده
A1 = برابر است با عرض سیل مورد استفاده
B1 = بوش گلویی به درب سیلندر هیدرولیک پیچ می شود. برای هر سوراخ که در درب سیلندر هیدرولیک ایجاد شده سطح داخلی سیل انتخابی تحت یک فشار کامل قرار می گیرد. اگر ضخامت بین سطح داخلی سیل ها و محل ایجاد سوراخ کافی نباشد باعث ایجاد پارگی در سیل خواهد شد. به همین دلیل ضخامت دیواره بین سطح داخلی سیل ها و محل ایجاد سوراخ در بوش گلویی باید به اندازه کافی باشد.
C1 = بوش گلویی به درب سیلندر هیدرولیک باید قدری محکم بسته شود که بتواند نیروی خروجی که به سیل وارد می شود را تحمل کند. تعداد و اندازه پیچ های مورد نیاز بر حسب این نیرو محاسبه می شوند. مقدارC1 به مقدار به دست آمده بستگی دارد.
D1 = سر پیچ های مورد استفاده نباید از بوش گلویی بیرون بزند. اندازه D1 در خصوص سر پیچ های مورد استفاده به کار می رود.
E1 = درب سیلندر هیدرولیک به فلانج جوشکاری شده، بسته می شود که این پیچ مهره ها با پیچ مهره هایی که دربوش گلویی استفاده شده اند متفاوت است. هم چنان که نسبت به انتخاب درست گام پیچ درب سیلندر توجه کافی می شود باید مراقب بود که فضای کافی جهت سفت کردن و آچار کشی پیچ ها و بوش گلویی وجود داشته باشد. با در نظر گرفتن مطالب بالا ابعاد E1 تعیین می شود.
F1 = این بعد برای تعیین اندازه سر پیچ ها به کار می رود (مشابه D1 )
به همین دلیل قطر خارجی درب سیلندر هیدرولیک برابر است با حاصل جمع C1 ، D1 ، E1 ، F1 ، R1 ، A1 ، B1 ،

به دلیل آن که محل گاید ها و سیل ها در آن تعبیه شده است، در درب سیلندر با طرح فوق احتیاجی به بوش گلویی نمی باشد.
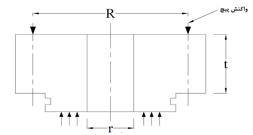
چگونگی تعیین ضخامت درب سیلندر :
درب سیلندر به عنوان یک صفحه پشتیبان دایره ای ساده که توسط پیچ های بزرگ پشتیبانی می شود، در نظر گرفته می شود. در طرف دیگر فشار یکنواختی به سطح دایره ای شکلی که بین شافت و قطر داخلی سیلندر می باشد، وارد می شود.

ضخامت را با استفاده از یک فرمول تجربی می توانیم محاسبه کنیم.

که در آن
t برابر با ضخامت درب سیلندر
C برابر ثابت تجربی
W برابر نیرویی که به درب سیلندر وارد می شود (برابر نیرویی است که سیلندر وارد می کند)
ft تنش کششی مجاز
مقدار ثابت C طبق جدول زیر تعیین می شود.
| 5 | 4 | 3 | 2 | 1/5 | 1/25 | ![]() |
| 2/195 | 2/08 | 1/88 | 1/44 | 0/976 | 0/592 | ثابت C |
نتیجه گیری :
- حداقل ضخامت (مورد نیاز) درب سیلندر هیدرولیک برابر است با حاصل جمع A1 تا I.
- توسط فرمول تجربی بالا ضخامت مورد نیاز جهت مقابله با نیرو های موجود را به دست آوردیم.
- میزان ضخامت نهایی باید از هر دو مقدار به دست آمده از محاسبات فوق، بیشتر باشد.
مواد مورد استفاده در درب سیلندر هیدرولیک :
درب سیلندر هیدرولیک مستقیما با شافت در تماس نمی باشد و در برابر نیروی نهایی سیلندر مقاومت می کند به همین دلیل عموما از M.S یا C40 ساخته می شود. فولاد با شماره EN -8 برای سیلندر های استاندارد در ابعاد بزرگ به کار می رود.
اهمیت گاید ها :
a)گایدها به طور مستقیم یا غیر مستقیم شافت را هدایت می کنند به همین دلیل گاید ها حتما بایستی با لوله سیلندری کاملا هم مرکز باشند. هر گونه خروج از هم محوری به تمام سیلندر آسیب می رساند.
b) پیستون با نهایت قدرت در انتهای کورس به درب سیلندر نیرو وارد می کند. نیروی اعمالی به سطح درب سیلندر باعث تمایل در تغییر شکل و ایجاد برآمدگی در آن سطح می شود. از همین رو قطر داخلی درب سیلندر هیدرولیک، پیسون و شافت با فشار به سیلندر دیگر و قطر خارجی به دهانه لوله سیلندر می چسبند. پس باید مراقب بود که سطح دایره ای شکل بین شافت و سوراخ سیلندر برای کاهش تنش شکست به اندازه کافی بزرگ باشد. از آن جایی که تماس بین شافت و درب سیلندر باعث تغییر شکل و شکست خواهد شد بایستی پخ مناسب بین شافت و درب سیلندر در نظر گرفته شود.
درمورد به کارگیری سیل ها و گایدهای جدید، توجه به زبری سطح (کیفیت سطح) و تلرانس مناسب الزامی است. عموما تلرانس f8 ، H9 و زبری سطح هم باید بین1/6RA تا 0/8 باشد که آن هم به نوع سیل بستگی دارد.
بوش گلویی :
بوش گلویی برای نگهداری سیل گلویی به کار رفته و گردگیر و گاید شافت را در خود جای می دهد.
محاسبه ابعاد :
- قطر بوش گلویی برابراست با R1 +A1 +B1 +C1 +D1 )×2)
معیار های انتخاب این ارقام را با مطالعه بوش گلویی مورد بررسی قرار می دهیم.
2. ضخامت بوش گلویی با استفاده از همان فرمول تجربی که در مورد درب سیلندر هیدرولیک استفاده شده به دست می آید.
3. نیرویی که به بوش گلویی وارد می شود با حاصل ضرب سطح سیل در فشار کاری برابر است.

فرمول تجربی که برای محاسبه ضخامت بوش گلویی به کار می رود برابر است با:

که :
w= نیرویی است که به بوش گلویی وارد می شود.
t = ضخامت بوش گلویی
F= تنش کششی مجاز مواد
C= ثابت تجربی که نسبت R و r1 بستگی دارد.

بوش گلویی با همان کیفیت راهنمای شافت در برابر بار مقاومت می کند. به همین دلیل در سیلندر های بزرگ، بوش گلویی از M.S یاC40 ساخته شده و سپس توسط فسفر برنز پوشش داده می شود. در سیلندر های کوچک بوش گلویی از چدن خاکستری ساخته می شوند.
موارد مهم :
1)امروزه نوع مدرن سیل ها و گاید رینگ ها در دسترس بوده و به طور مستقیم در درب سیلندر هیدرولیک نصب می شوند. از این رو بوش گلویی به طور کامل حذف شده است.
2)بوش گلویی شافت را هدایت می کند. به همین دلیل باید با درب سیلندر هیدرولیک و سیلندر هم محور باشد.









































